Poteau d'éclairage piétonnier avec écran modulaire
En savoir plus
Présentation du produit :
Le feu clignotant jaune à énergie solaire est un dispositif de signalisation routière conçu spécifiquement pour les intersections, les virages, les ponts et les tronçons de route accidentogènes. Il intègre un système d'alimentation solaire performant, éliminant ainsi le besoin de raccordements électriques externes et permettant une mise en service immédiate après installation. Grâce à sa conception écoénergétique, sa haute visibilité et sa grande fiabilité, ce dispositif assure une sécurité continue 24h/24 et 7j/7, quelles que soient les conditions météorologiques.
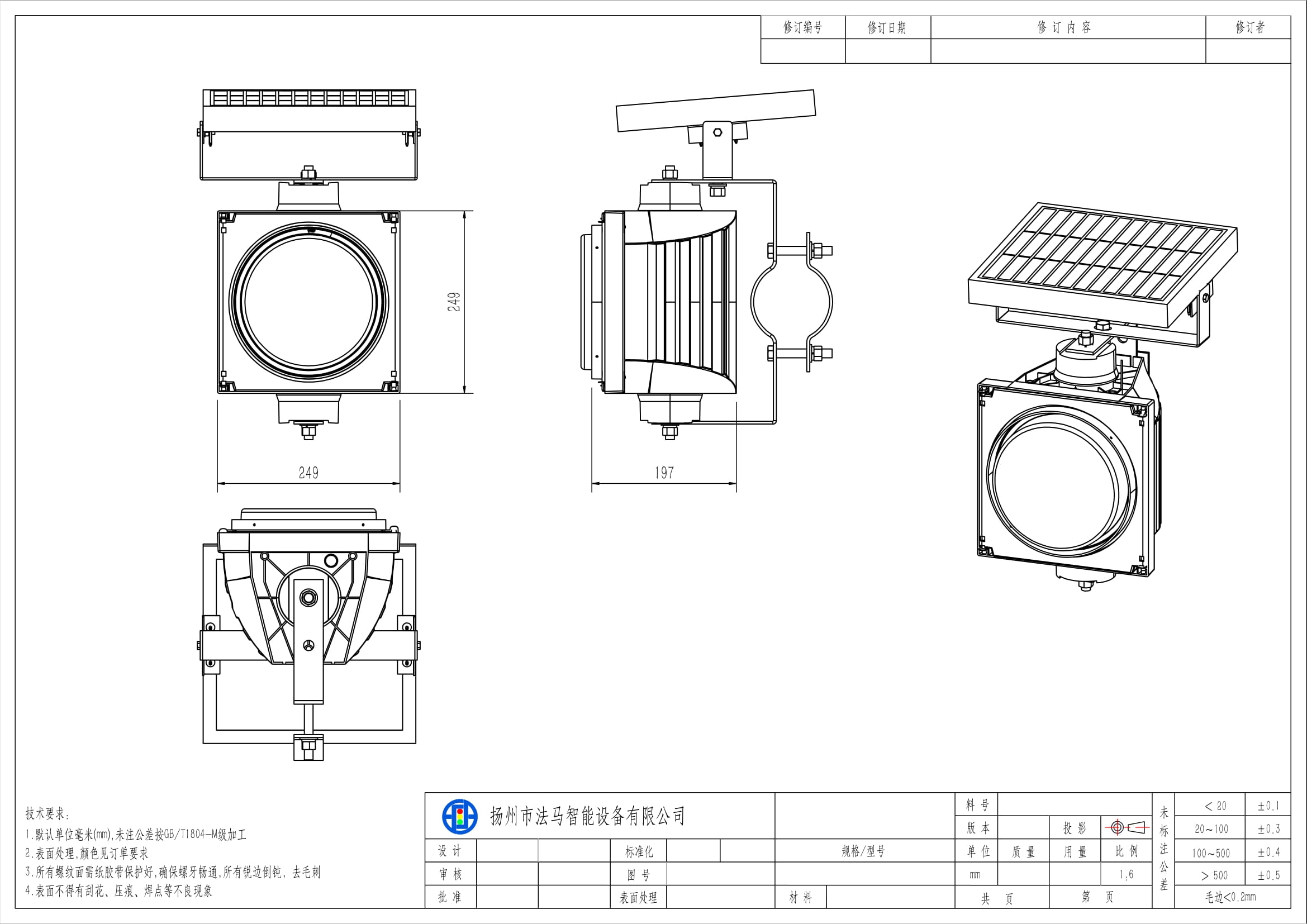
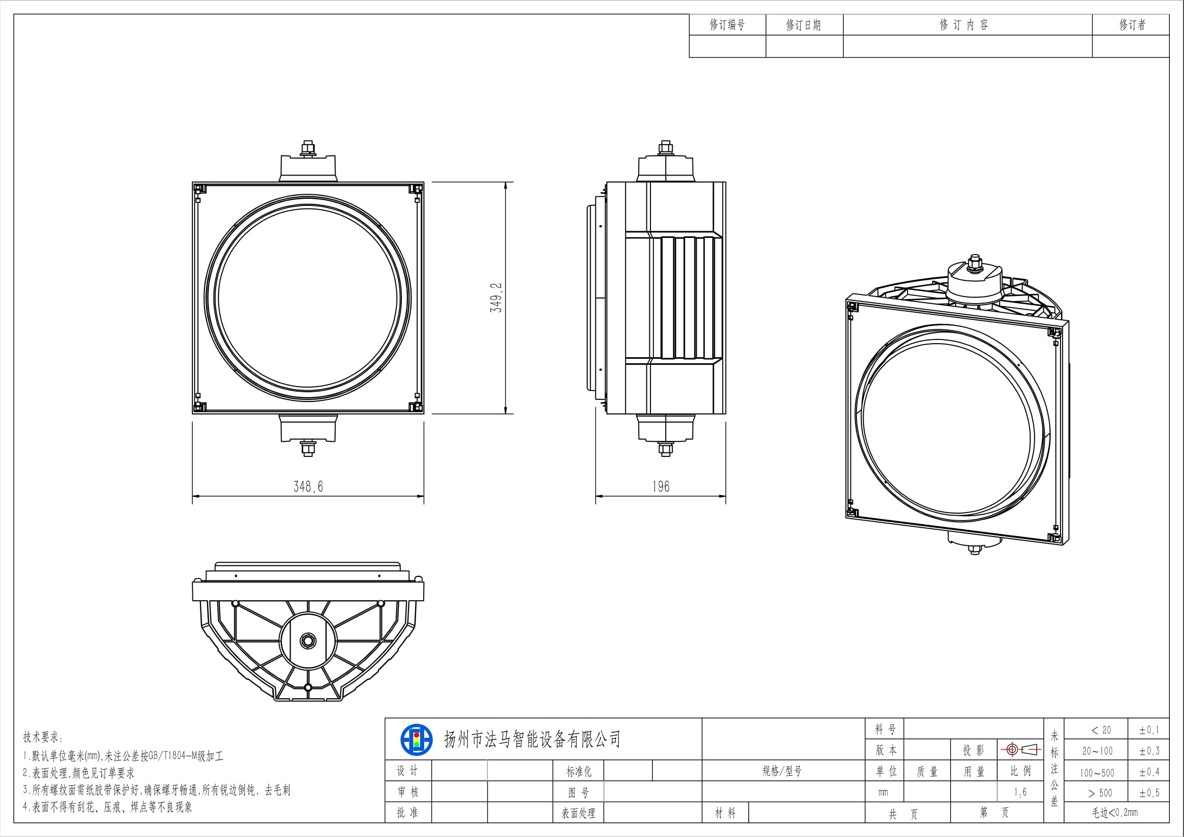
| Modèle de produit | SSG200-3-FM11 | SSG300-3-FM11 | SSG400-3-FM11 |
| Taille de la surface émettrice de lumière (LES) | 200 mm | 300 mm | 400 mm |
| Tension de fonctionnement | 12 V CC | 12 V CC | 12 V CC |
| Matériau du boîtier | Boîtier en polycarbonate | Boîtier en polycarbonate | Boîtier en polycarbonate |
Panneau solaire | □ 8W/16V | □ 8W/16V | □ 15 W/16 V |
| Batterie de stockage | □ 3000 mAh/12,8 V | □ 3000 mAh/12,8 V | □ 6600 mAh/11,1 V |
| Fréquence de clignotement | □ 60 fois par minute | □ 60 fois par minute | □ 60 fois par minute |
| Mode de fonctionnement | Clignotement 24 heures sur 24 | Clignotement 24 heures sur 24 | Clignotement 24 heures sur 24 |
| Autonomie de la batterie | 5 jours | 5 jours | 5 jours |
| Couleur du masque | Transparent | Transparent | Transparent |
| Quantité de LED | 60 pièces | 99 pièces | 168 pièces |
| Consommation électrique de la lampe | Balle jaune pleine ≤ 2 W | Balle jaune pleine ≤ 3 W | Balle jaune pleine ≤ 5 W |
| Longueur d'onde de la LED | Jaune : 590 ± 5 nm | Jaune : 590 ± 5 nm | Jaune : 590 ± 5 nm |
| Intensité lumineuse | 300 cd ~ 1000 cd | 300 cd ~ 1000 cd | 300 cd ~ 1000 cd |
| Durée de vie des LED | ≥ 100 000 heures | ≥ 100 000 heures | ≥ 100 000 heures |
| Température de fonctionnement | -40℃ à +80℃ | -40℃ à +80℃ | -40℃ à +80℃ |
| Humidité relative | ≤97%HR | ≤97%HR | ≤97%HR |
| Niveau de protection | IP55 | IP55 | IP55 |
| Distance visuelle | ≥300 m | ≥300 m | ≥300 m |
| Spécifications d'emballage | 1 pièce par boîte, Dimensions : 41 × 32 × 37 cm, Poids : 6,3 ± 0,5 kg | 1 pièce par boîte, Dimensions : 50 × 41 × 34 cm, Poids : 8,4 ± 0,5 kg | 1 pièce par boîte, Dimensions : 55 × 65 × 29 cm, Poids : 9,1 ± 0,5 kg |


